您好!欢迎访问深圳市鸿合智远电子有限公司官网!

深圳市鸿合智远电子有限公司

深圳市鸿合智远电子有限公司

- 专业从事国内外半导体类电子产品的代理及销售 -

+86-755-83239150

+86-755-83239151

鸿合智远

微信咨询

充电电池MS621:全家桶一站式解决充电难题
来源:鸿合智远 2025-07-26 17:51:57

  由于MS621可充电电池的阳极为二氧化硅,阴极为锂锰混合物,因此它可提供的能量是普通电池的20倍,此外,它还具有循环使用寿命长和高电流释放特性。今日,鸿合智远小编将分析充电电池MS621的多个维度,全面解析其中的奥秘。

  一、特性

  1、高电压(镍-氢电池的两倍):3.0~3.3V;

  2、工业上最高放电能力;

  3、优秀的漏电阻抗;

  4、宽工作温度:-20℃~+60℃;

  5、稳定放电特性;

  6、高可靠性:充放电次数200次(完全放电)。

wechat_2025-07-26_175255_351.png

  二、特性图

wechat_2025-07-26_175335_376.png

wechat_2025-07-26_175354_832.png

  三、应用


wechat_2025-07-26_175413_759.png

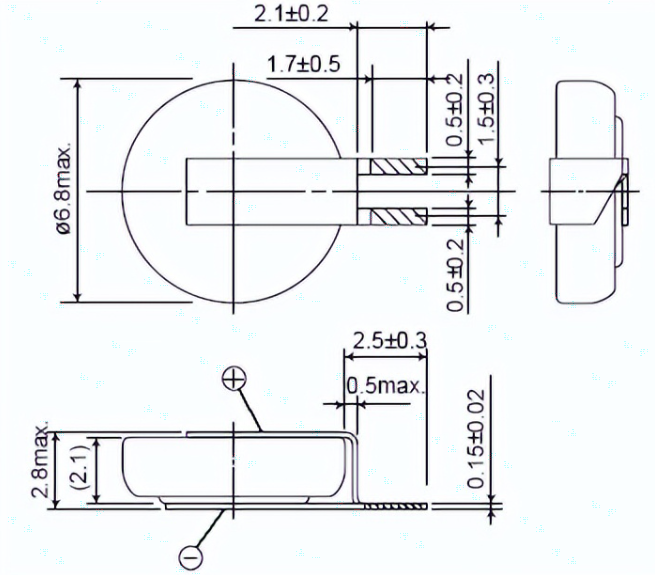
  四、外观尺寸

wechat_2025-07-26_175434_609.png


相关新闻

全国服务热线:

+86-755-83239150

友情链接:

X